想要精准掌握氧气浓度?AGP系列氧气浓度气体分析仪,专为精细化工、密闭系统及废气处理前设计,安全可靠,高效监测!
在精细化工反应釜的操作中,密闭系统氮封的保护环节里,以及废气处理前的关键阶段,氧气浓度的精确监测无疑是确保生产安全、提升工艺品质的重要一环。面对这一挑战,如何找到一款既精准又可靠的氧气浓度气体分析仪呢?AGP系列,正是您要找的答案!

精细化工反应釜的精准之选
精细化工领域,反应釜内的氧气浓度对反应结果有着直接影响。AGP系列中的AGP500型号,专为离心机反应釜量身打造,能够实时、准确地监测氧浓度,一旦浓度超出安全范围,立即发出预警,有效预防因氧气浓度异常而引发的安全事故,为精细化工生产筑起一道安全防线。其高精度传感器与智能分析技术,确保了监测数据的准确无误。
密闭系统氮封的得力伙伴
对于需要氮封保护的密闭系统,氧气浓度的微小波动都可能对系统造成不可估量的影响。AGP系列氧气浓度气体分析仪,凭借其灵活的量程设置和定制化的预处理功能,能够轻松应对不同密闭系统的监测需求,实现氧气浓度的连续、稳定监测,确保系统始终处于最佳氮封状态,从而延长设备使用寿命,降低维护成本。
废气处理前的关键把关
在废气处理过程中,氧气浓度的准确掌握对于优化处理效果、减少能耗至关重要。AGP系列氧气浓度气体分析仪,能够在废气处理前阶段提供精准的氧气浓度数据,帮助操作人员及时调整处理参数,实现处理高效率化,同时减少不必要的能源消耗,为企业带来显著的经济效益与环境效益。
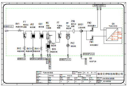
AGP系列氧气浓度气体分析仪,不仅功能全面,而且操作简便,易于维护。无论是AGP200/AGP300的灵活量程与多种联锁保护,还是AGP500专为反应釜设计的超标预警,都展现了其对不同应用场景的深刻理解与精准适配。
选择AGP系列氧气浓度气体分析仪,就是选择了精准、安全与高效。在精细化工反应釜、密闭系统氮封保护及废气处理前等关键领域,它将成为您的监测利器。